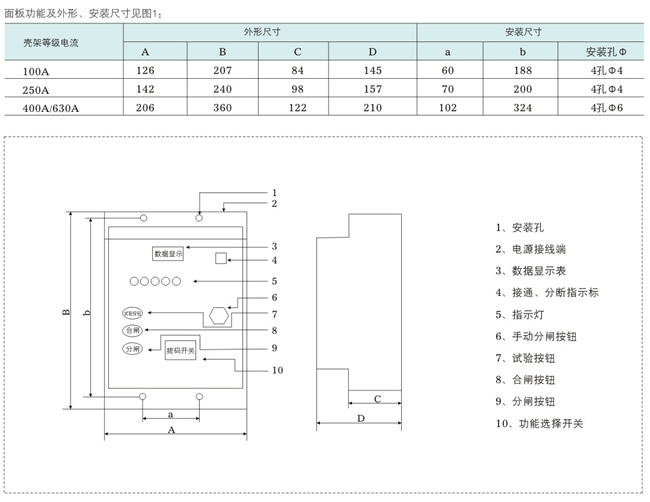
概述
GDZL系列智能漏电断路器的设计思想来源于市场,来源于用户,来源于农网改造第一线,是本公司今年适应我国城乡安全用电实际环境而研制开发的专利产品,使用简单、经济实用、为国内首创。
GDZL系列智能漏电断路器(以下简称漏电断路器),是集剩余电流继电器,漏电断路器及交流接触器的功能于一体的多功能漏电断路器。适用于三相四线中性点直接接地的低压电网,用来对人身触电危险提供间接接触保护,也可以对线路或用电设备的接地故障、过电流、短路、电压及缺相等进行保护。

主要技术参数
·额定电压:380V220V三相四线 ·额定频率:50Hz ·额定电流:63A、100A、160A、200A、250A、400A、630A ·额定辅助电源电压:220V(进线端左面1接N,进线端右面1接A相) ·剩余动作电流:1000mA ·额定漏电动作电流:100mA、300mA、500mA、1000mA ·额定漏电动作电流:50mA、150mA、250mA、500mA ·突变电流:50mA、75mA ·缓变电流:300mA ·自动跟踪定档:200mA、400mA、600mA、800mA、1000mA ·额定分断时间:0.2S、0.3S、0.5S、1.0S(出厂设定在0.3S) ·延时重合闸:20S~60S ·欠压动作值单相155V±5%(电压恢复正常后能自动重合闸) ·过压操动作值单相280V±5%(电压恢复正常后能自动重合闸) ·显示漏电自动跟踪定档值 ·具有自动记忆功能 ·漏电动作值特陛分类: AC型 ·额定极限短路分断能力见 表1 ·过电流脱扣器保护特性见 表2 ·本产品符合:GB1 4048.2-2008

|