地址:廊坊市广阳区解放道188号
电话:0316-2011226
传真:0316-2019100
点击这里给我发消息 点击这里给我发消息
塑壳断路器
GDM1LE漏电断路器

概述

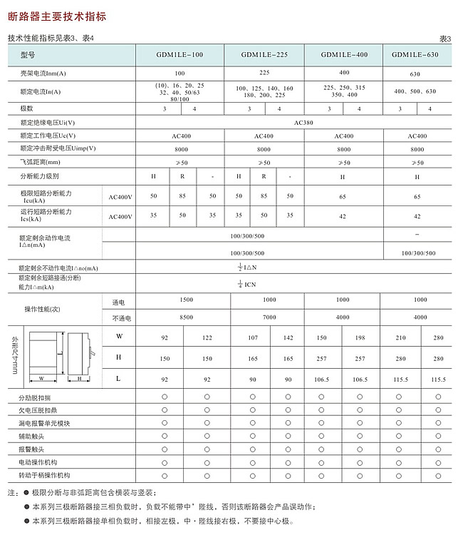
  GDM1LE系列带剩余电流保护塑料外壳式断路器(以下简称断路器);是本厂采用国际先进设计,制造技术研制、开发的新型断路器之一。其额定绝缘电压为800V,适用于交流50Hz,额定工作电压400V,额定工作电流~630A的电路中作不频繁转换及电动机不频繁转换之用。断路器具有过载,短路和欠电压保护功能,能保护线路和电源设备不受损坏,同时还可以对过电流保护不能检测出的长期存在的接地故障可能引起火灾危险提供保护。

·断路器按照其额定极限短路分断能力(Icu)的高低,分为H型(较高分断型)、R型(高分断型)二类。该断路器具有体积小、分断高、飞弧短,抗震动等特点。
·本断路器可垂直安装(即竖装)、亦可水平安装(即横装)。
·本断路器不可倒进线,即只允许1、3、5接电源线,2、4、6接负载线。
·断路器适用于隔离,符号标示为“”。
·本断路器产品执行下列标准:
 IEC6094.7-1及GB/T14048.1总则  IEC6094.7-2~GB14048.2低压断路器
·及附录B带剩余电流保护的断路器
 IE(360947.4~GB/T141M8.4接触器和电动机起动静)
 IEC60947-5.1~GB14048 5机电式控制电路电器

主要特点

·常规的带剩余电流保护断路器的漏电保护模块工作电源取样为二相,本系列断路器为三相,本系列断路器为三相,若映任一相,断路器漏电保护模块仍能正常工作。
·额定剩余动作电流I△n及最大断开时间根据实际情况现场可调;
·当相电压降低至50v,漏电保护模块仍能正常工作;
·具有漏电报警输出功臆;
·符合IEC60947附录B的电磁兼容要求;
·外形体积于GDMI系列断路器同规格相同,安装具有较好的互换性。